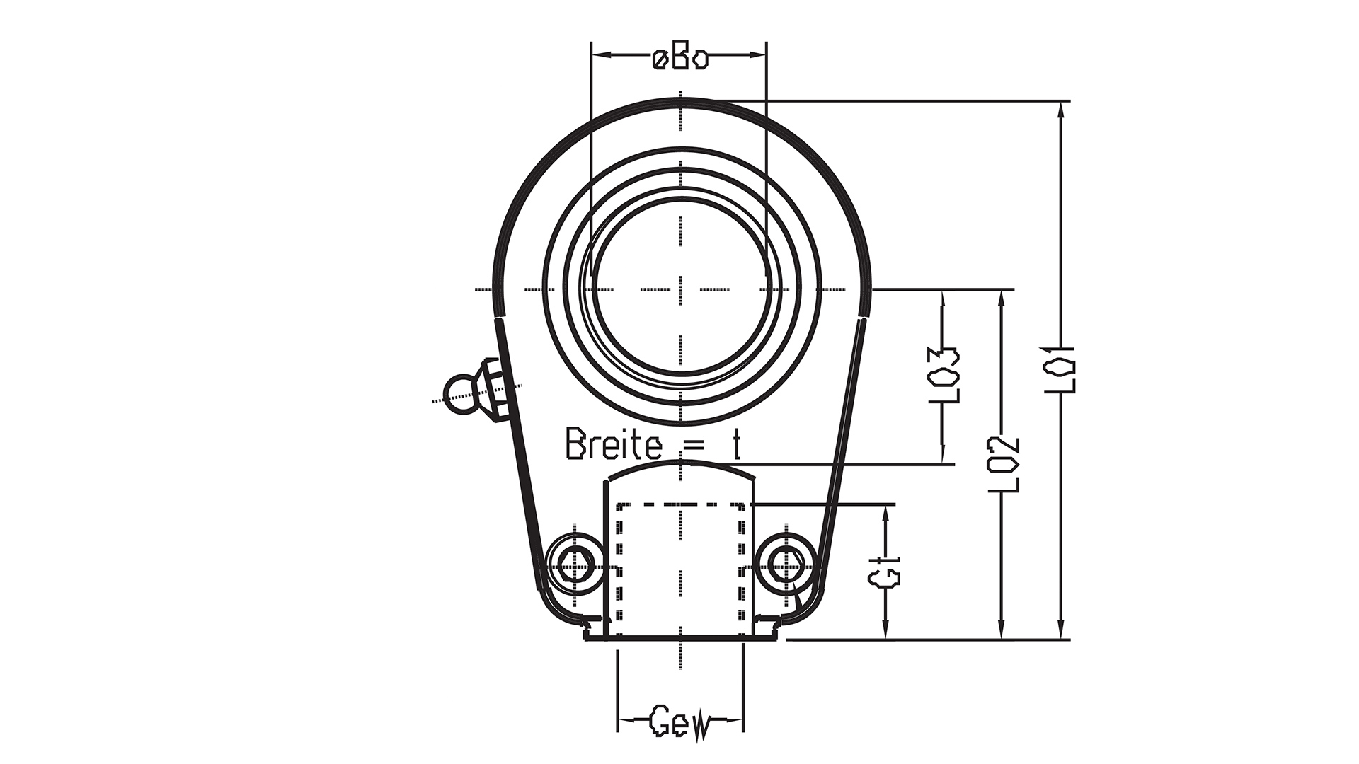
Hydraulikgelenkkopf, klemmbar, zum Aufschrauben
Nachschmierbar über Schmiernippel im Gehäuse
Material: 20-80 mm: C 45, 90-120 mm: Sphäroguss
Details
| Produkttyp | Gelenkkopf |
|---|---|
| Vergleichsnummern | SIR..ES, SIR ..ES, GIHR-K..DO, TAPR..U, SN..U, FPR..U, PR..U, GK..NKS, GK..NK-S, SIR..ES, CGAK.., DGIHR-K..DO, IHGK..U |
| Tragzahl dyn. [kN] | |
| Bolzen | 50 |
| Tragzahl stat. [kN] | |
| Ausführung | mit Innengewinde |
| B0 | |
| L02 | |
| Gewinde | |
| Gt | |
| Breite t | |
| L01 | |
| L03 | |
| Alternative Hersteller |



